Σφιγκτήρας για τροχό jockey WINTERHOFF KLE60 60mm
Εξοικονομήστε αγοράζοντας περισσότερα

Τροχός τζόκεϊ με σφιγκτήρα WINTERHOFF ST60-255SB+KLE60 250kg 60mm 525-755mm
Σφιγκτήρας για τροχό jockey WINTERHOFF KLE60 60mm
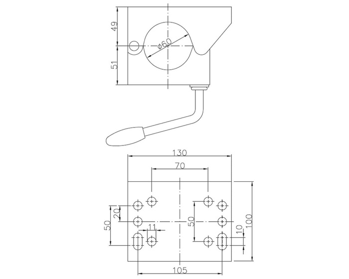
Ο σφιγκτήρας KLE60 της WINTERHOFF έχει σχεδιαστεί για την τοποθέτηση τροχού ή βάσης jockey με σωλήνα διαμέτρου 60 mm , εξασφαλίζοντας σταθερή και ασφαλή σύνδεση στη ράβδο έλξης του ρυμουλκούμενου. Ο σφιγκτήρας έχει μήκος 130 mm και πλάτος 100 mm , εξασφαλίζοντας επαρκή επιφάνεια σύσφιξης και σταθερή στήριξη για τον σωλήνα. Είναι εξοπλισμένος με δέκα οπές στερέωσης διαμέτρου 11 mm με απόσταση 105 x 50 mm , επιτρέποντας εύκολη και ακριβή τοποθέτηση στη δομή του ρυμουλκούμενου.

Επιτρεπόμενο φορτίο
Η μέγιστη ικανότητα φόρτωσης του σφιγκτήρα είναι 500 kg , η οποία είναι μια πολύ υψηλή τιμή και εξασφαλίζει εξαιρετικά σταθερή και ασφαλή στερέωση του τροχού jockey στη ράβδο έλξης του τρέιλερ. Αυτή η υψηλή ικανότητα φόρτωσης εγγυάται ότι ο σωλήνας στήριξης θα παραμείνει σταθερά στη θέση του ακόμα και υπό βαρύτερα φορτία, ελαχιστοποιώντας τον κίνδυνο χαλάρωσης και μετατόπισης. Η στιβαρή κατασκευή του σφιγκτήρα αυξάνει την ασφάλεια λειτουργίας και την συνολική αντοχή του συστήματος στην υπερφόρτωση. Η διατήρηση των μέγιστων παραμέτρων φορτίου διασφαλίζει την ανθεκτικότητα των εξαρτημάτων στήριξης και εξασφαλίζει μακρά και απρόσκοπτη λειτουργία.

Αντιδιαβρωτική προστασία
Ο σφιγκτήρας του τιμονιού jockey είναι κατασκευασμένος από ηλεκτρογαλβανισμένο χάλυβα , παρέχοντας αποτελεσματική προστασία από τη διάβρωση και μεγάλη διάρκεια ζωής, ακόμη και με εντατική χρήση σε εξωτερικούς χώρους. Η επίστρωση ψευδαργύρου προστατεύει τα χαλύβδινα εξαρτήματα από την υγρασία, το αλάτι του δρόμου και τις μεταβαλλόμενες καιρικές συνθήκες, αυξάνοντας την ανθεκτικότητα και την αντίσταση σε μηχανικές βλάβες.
Ο σφιγκτήρας είναι ένα βασικό στοιχείο στήριξης για τον τροχό jockey ή το πόδι στήριξης , επιτρέποντας τη σταθερή και ασφαλή στερέωση στη ράβδο ρυμούλκησης του τρέιλερ. Συγκρατεί με ασφάλεια τον σωλήνα στη θέση του, εξασφαλίζοντας ασφάλεια κατά τη στάθμευση και τους ελιγμούς. Διευκολύνει τη στήριξη της ράβδου ρυμούλκησης, τη γρήγορη σύνδεση και αποσύνδεση του τρέιλερ και τη χειροκίνητη κύλιση του τρέιλερ στην αυλή, το δρόμο ή το εργαστήριο. Αυτή η πρακτική και αξιόπιστη λύση, που χρησιμοποιείται σε τρέιλερ μεταφοράς, τρέιλερ σκαφών και τροχόσπιτα , εξασφαλίζει ανθεκτικότητα και δομική σταθερότητα. Για λόγους ασφαλείας, ελέγχετε την πίεση του μοχλού και την κατάσταση του σωλήνα του τροχού jockey πριν από κάθε βόλτα.
























